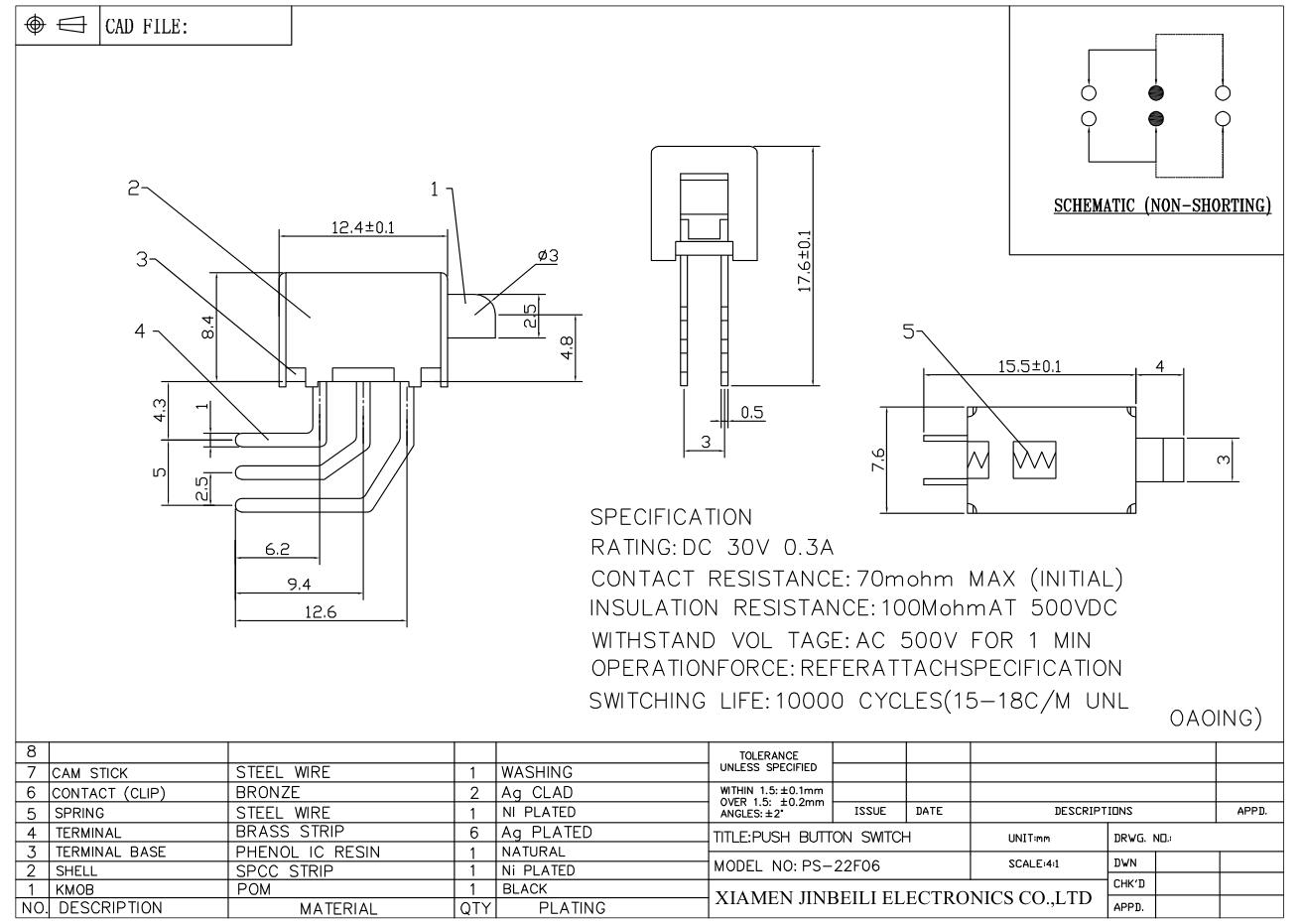
PS-22F06 Push Button Switch DPDT Through Hole
Push Button Switch – DPDT, Momentary Function
Overview: This high-quality push button switch features a Double Pole Double Throw (DPDT) configuration with a momentary function, designed for reliable and versatile use in various electronic applications. It is ideal for switching between two different circuits or states in your project.
Key Features:
- DPDT Configuration: The switch provides two sets of contacts, each of which can switch between two positions. This allows for control of two separate circuits or functions simultaneously, enhancing flexibility and functionality in your designs.
- Momentary Function: The switch operates in a momentary mode, meaning it only maintains its state while being actively pressed. Once released, it returns to its default position, making it perfect for applications that require temporary activation.
- Through-Hole Mounting: Designed for easy integration into printed circuit boards (PCBs), this switch supports through-hole mounting in both horizontal and vertical orientations. This flexibility facilitates straightforward assembly and positioning within your PCB layout.
- Durable Construction: Built to withstand frequent use, this push button switch ensures long-term reliability and performance. Its robust design is suitable for a wide range of environments and applications.
- Compact Size: The switch’s compact dimensions make it a suitable choice for space-constrained projects, without compromising on performance or functionality.
Applications:
- Electronic Control Panels: Ideal for use in control panels where momentary switching between different circuits is required.
- Instrumentation: Suitable for instrumentation devices that need reliable, momentary control.
- Consumer Electronics: Perfect for various consumer electronic devices requiring a momentary switch function.
Technical Specifications:
- Switch Type: DPDT (Double Pole Double Throw)
- Function: Momentary
- Mounting Type: Through-Hole (Horizontal or Vertical)
- Actuation Force: [Specify if known]
- Contact Rating: [Specify if known]
- Operating Temperature Range: [Specify if known]
This versatile push button switch is an essential component for engineers and designers seeking reliable and adaptable switching solutions in their electronic projects.
Write your message here and send it to us










