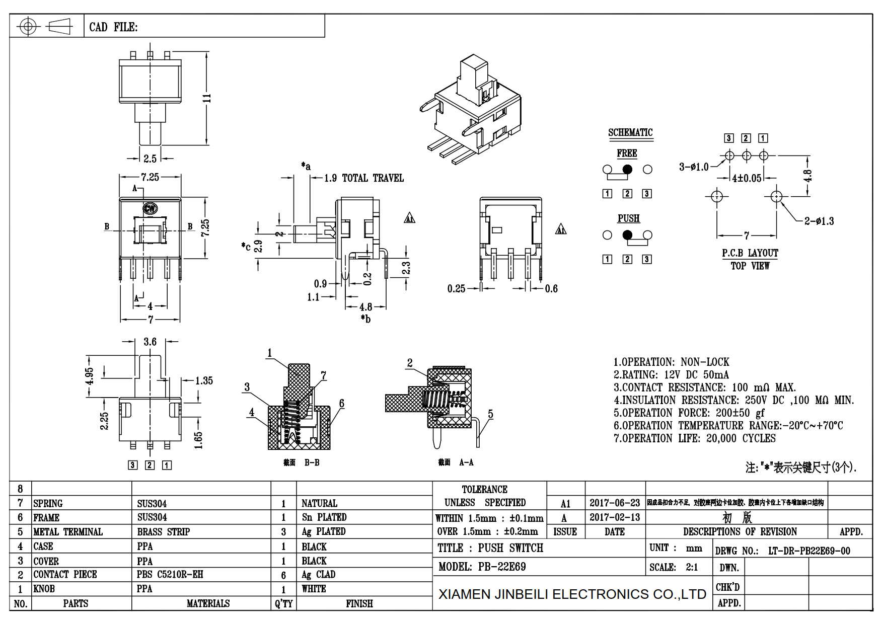
PB-22E69 7*7mm Push Button Switch Through Hole Right Angle
Push Button Switch
This is a through-hole, right-angle SPST tactile switch with a compact 7x7mm outline. It features both momentary and latching functions, making it versatile for various applications. The actuator’s center height from the PCBA is 2.9mm, ensuring reliable operation and easy integration into your design.
Write your message here and send it to us












