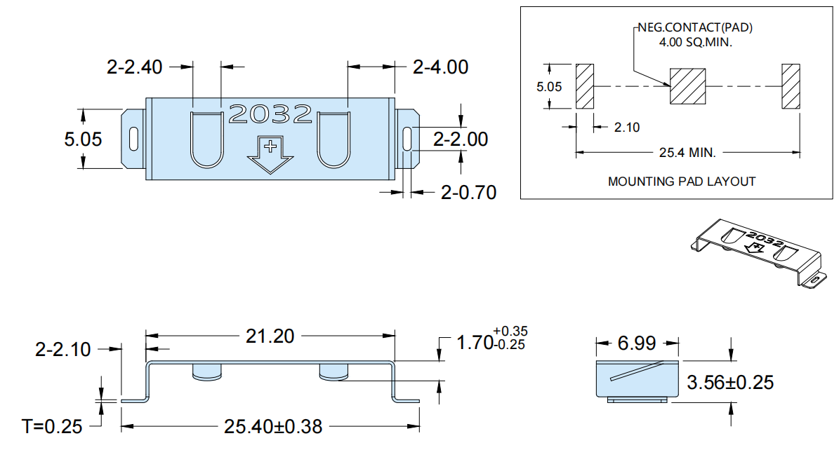
CR2032-15-NI CR2032 Coin Cell Retainer SMT
SMT Cell Retainer for CR2032
This surface-mount (SMT) cell retainer is designed for CR2032 batteries, ensuring secure and reliable connections. It is also compatible with various other models, including DL2032, ECR2032, BR2032, KCR2032, KECR2032, LM2032, 5004LC, L2032, and SB-T51. Engineered for durability and ease of use, this retainer provides a stable platform for battery installation in a wide range of electronic devices, ensuring optimal performance and longevity.
Write your message here and send it to us











