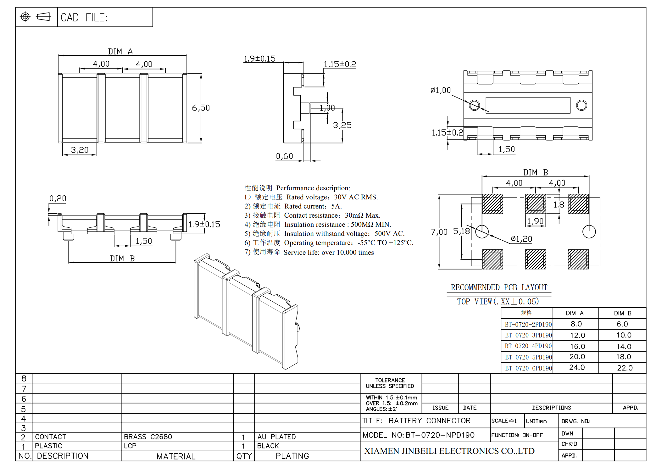
BT-0720-nPD190 4.0mm Pitch Spring Battery Connector Surface Mount
This female spring battery connector is a robust and reliable surface-mount solution designed for securely interfacing with standard cylindrical battery cells in a wide array of portable electronic devices. Its primary defining feature is the 4.0mm pin pitch, which ensures perfect alignment and compatibility with standard battery terminal spacings. The connector is offered in multiple circuit number options, including 1-way, 2-way, 3-way, 4-way, 5-way, and 6-way configurations, providing exceptional design flexibility for everything from simple single-cell applications to more complex multi-battery series or parallel arrangements.
Engineered for performance, this component boasts a power rating of DC 30V at 5A, making it suitable for low-voltage, moderate-current applications such as handheld instruments, medical devices, remote controls, and children’s toys. The key operational element is its integrated spring contact mechanism. This spring-loaded design provides consistent, resilient pressure on the battery terminal, ensuring a stable and low-resistance electrical connection that is resistant to shock and vibration, a critical factor for devices that are frequently moved or handled.
The vertical, surface-mount (SMT) design facilitates efficient PCB assembly using automated pick-and-place and reflow soldering processes, streamlining manufacturing. A significant feature enhancing reliability is the inclusion of board guides. These molded guides extend from the connector housing to precisely align and secure the unit during the soldering process, preventing shifting and ensuring perfect soldering. This results in a mechanically stable installation with improved resistance to board flexing. Constructed from high-quality, heat-resistant phosphor bronze or similar alloy for the contacts and durable PBT or nylon for the housing, this connector delivers long-term performance and is an optimal choice for creating compact, dependable battery compartments.











