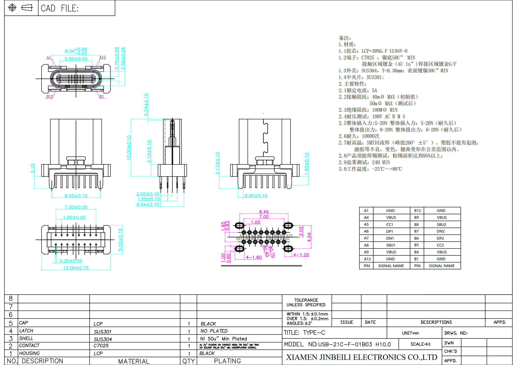
USB-21C-F-01B03 H10.0 USB Type C Jack 16pin Through Hole
This component is a robust, wave-solderable USB Type-C female receptacle designed for integration onto printed circuit boards (PCBs). Engineered for high-reliability applications, its through-hole termination style provides superior mechanical strength and durability compared to surface-mount alternatives, making it ideal for devices subjected to frequent mating cycles or physical stress. The connector is mounted vertically, orienting the port perpendicular to the board to facilitate standard cable insertion from the device’s edge or panel.
It features a full 16-position pinout, ensuring support for all USB-C functionalities, including USB 2.0 data transfer, USB Power Delivery (PD), alternate modes like DisplayPort, and robust CC (Configuration Channel) logic for reversible plug orientation and power negotiation. A key specification is its extended USB height of 10mm from the PCB, accommodating thicker device chassis or internal assemblies. Electrically, it is rated for a substantial DC 30V at 3A, supporting high-power charging protocols up to 90W, which is essential for modern laptops, monitors, and power tools. This combination of through-hole construction, vertical profile, and high power handling makes it a versatile and durable choice for industrial equipment, consumer electronics, and power-intensive embedded systems.










