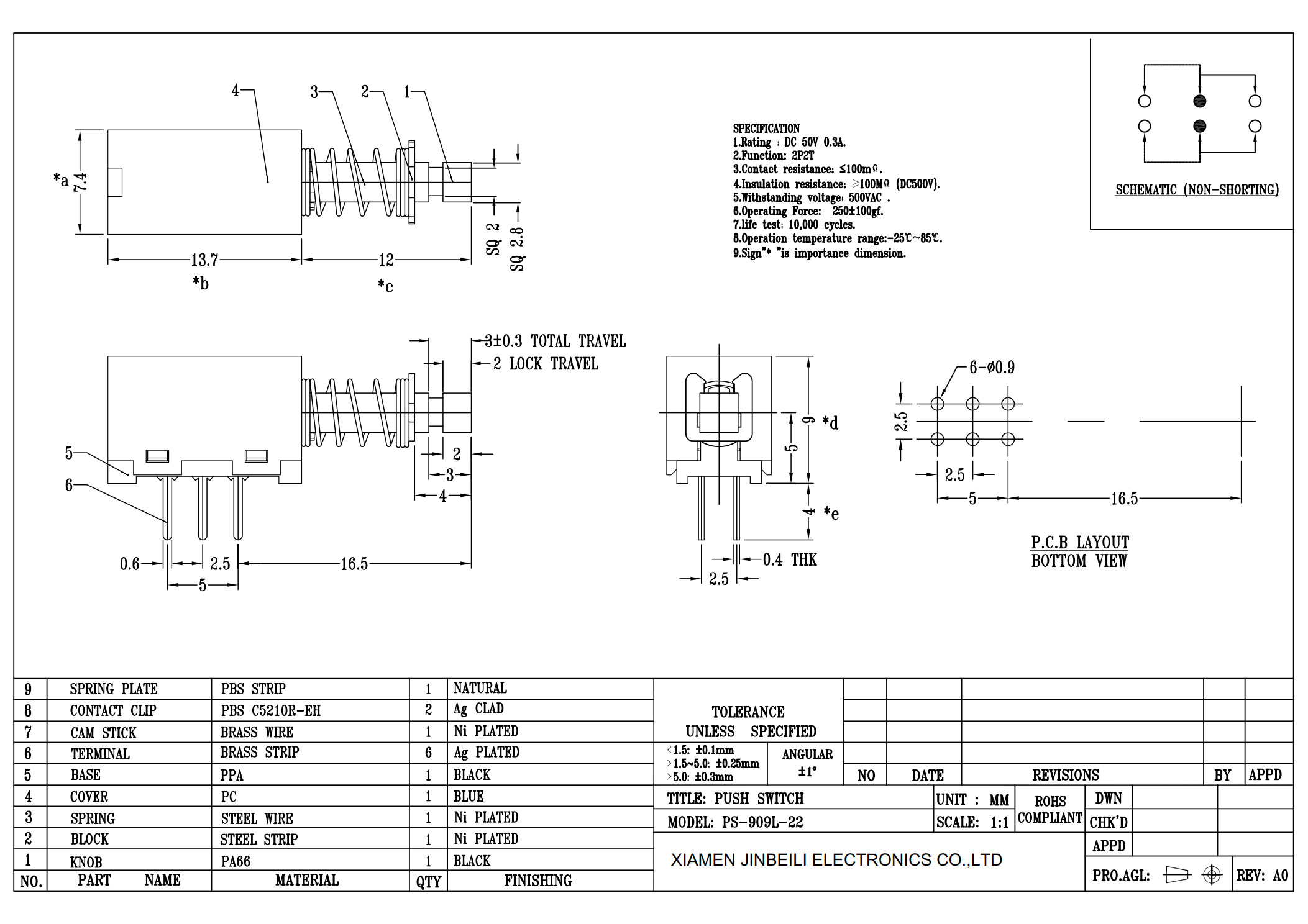
PS-909L-22 DPDT Push Switch Through Hole Right Angle
The 2P2T Push Button Switch (also known as a DPDT push switch) is a compact, reliable electromechanical component designed for low-power switching applications. Featuring 6 pins in a through-hole right-angle configuration, it mounts perpendicular to the PCB surface, optimizing space in dense layouts while allowing easy soldering and mechanical stability.
This switch supports dual operation modes: momentary (action occurs only while the button is pressed, with automatic return upon release) and latching (alternate action—each press toggles the state ON/OFF, maintaining position until pressed again). The terminals are arranged with a precise 2.5mm pitch, facilitating straightforward integration into standard PCB designs without requiring custom spacing.
Key electrical specifications include a power rating of DC 50V at 0.3A, making it ideal for signal-level and low-current control circuits rather than high-power loads. Mechanical characteristics enhance usability: total travel is 3.0mm for a satisfying press feel, while lock travel in latching mode is 2.0mm for clear tactile feedback and reliable state changes.
The construction uses durable materials for longevity and performance:
Housing base: PPA (polyphthalamide) for excellent heat resistance and dimensional stability.
Top housing: PC (polycarbonate) for impact resistance and smooth surface finish.
Terminals: Brass with silver (Ag) plating to ensure low contact resistance, minimal oxidation, and high reliability over thousands of cycles.
Actuator: PA66 (nylon 66) in a compact 2.8mm × 2.8mm square profile, providing a precise, ergonomic pressing area suitable for finger operation.
This versatile switch excels in various applications:
Consumer electronics — Remote controls, small handheld devices, portable audio players, or accessory buttons where compact, responsive controls are essential.
Automotive/vehicle electronics — Low-current control switches in dashboards, infotainment systems, or accessory modules for non-critical functions.
Industrial/test equipment — Mode selection, reset, or trigger buttons on meters, testers, or control modules requiring dependable momentary or toggle operation.












