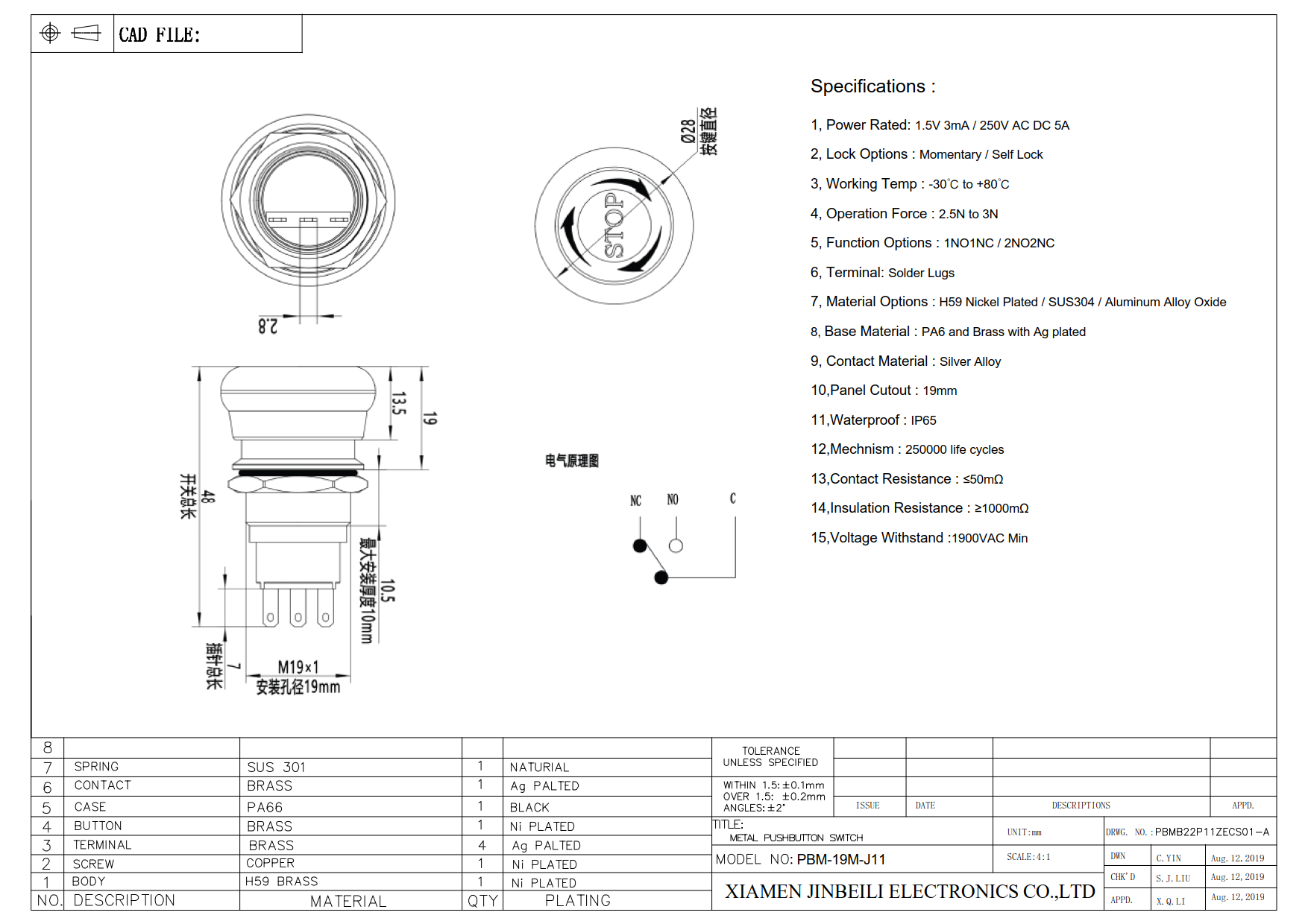
PBM-19M-J11 Emergency Stop 19mm Push Button Switch
our 19mm Emergency Stop switch, designed for critical safety applications. With a panel cutout of 19mm, it seamlessly integrates into control panels. Featuring both Momentary and Latching options, it offers versatility in usage. Crafted from durable stainless steel or lightweight aluminum alloy, it ensures reliability in various environments. Equipped with 1NO (Normally Open) and 1NC (Normally Closed) contacts, it provides flexibility in circuit configurations. Rated for 250V and 5A, it guarantees reliable performance under demanding conditions. Ensure safety and control with our 19mm Emergency Stop switch.
Write your message here and send it to us











