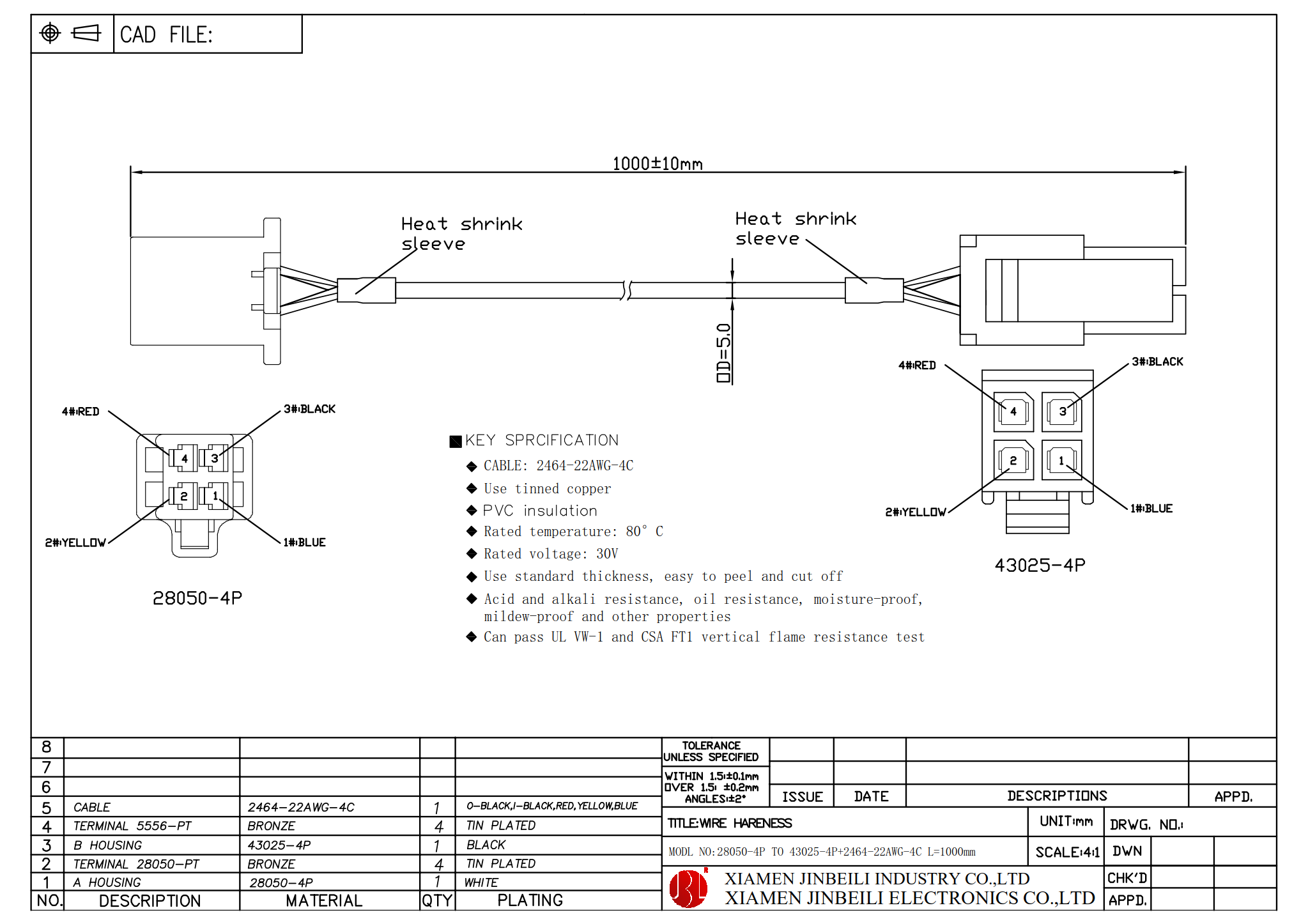
Custom Molex 43025-0410 to Sumitomo 6040-4111 Cable Assembly
This cable assembly is designed for automotive applications, serving as a reliable and efficient wiring solution. It features a Molex 43025-0410 connector on one end and a Sumitomo 6040-4111 connector on the other, facilitating seamless connectivity between different automotive components. The cable itself is constructed with UL2464 22AWG wire, which is known for its excellent electrical performance, durability, and resistance to common automotive fluids and temperatures.
With a standard length of 1000mm, this cable assembly provides ample reach for most automotive wiring needs. However, recognizing that different applications may require varying lengths, this assembly is also customizable to other lengths upon request. This flexibility ensures that the cable can be tailored to fit specific vehicle configurations and installation requirements.
The 4-way configuration of the cable allows for the simultaneous transmission of multiple signals or power lines, making it suitable for a wide range of automotive functions such as sensor connections, actuator controls, or communication between electronic control units (ECUs). The use of high-quality connectors from reputable manufacturers like Molex and Sumitomo further ensures secure and reliable connections, even in harsh automotive environments.
In summary, this Molex 43025-0410 to Sumitomo 6040-4111 cable assembly offers a robust, versatile, and customizable wiring solution for automotive applications, combining reliable performance with the flexibility to meet diverse installation needs.














