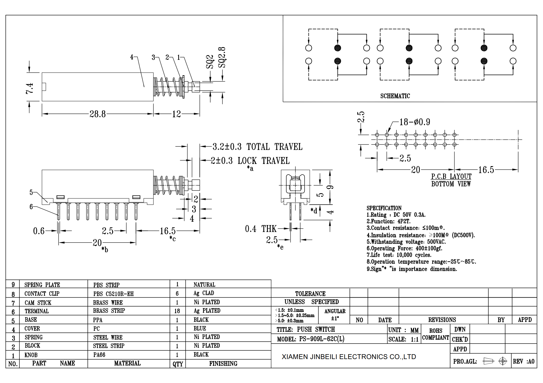
PS-909L-62 6P2T Push Button Switch Through Hole Right Angle
The 6P2T Push Button Switch (also known as 6PDT or 6-Pole Double-Throw) is a high-density, multi-circuit electromechanical switch ideal for applications demanding simultaneous control of up to six independent circuits across two positions. Equipped with 18 pins in a through-hole right-angle configuration, it mounts perpendicular to the PCB, minimizing footprint in compact assemblies while ensuring secure mechanical attachment and reliable soldering.
This advanced switch provides flexible operation modes: momentary (contacts engage only while depressed, returning to default via internal spring upon release) and latching (alternate-action push-to-toggle—each press switches all six poles between their two throw states, maintaining the position until re-actuated). The terminals feature a 2.5mm pitch on the PCB layout, promoting straightforward trace routing, compatibility with standard prototyping boards, and efficient use in multi-layer or high-component-density designs.
Rated for DC 50V at 0.3A, it is optimized for low-power signal routing, logic interfacing, data line selection, or low-current control—avoiding high-load applications. Mechanical performance includes 3.0mm total travel for a distinct, user-friendly press sensation and 2.0mm lock travel (in latching mode) for crisp tactile feedback, positive state indication, and resistance to unintended operation.
Built with premium, durable materials for extended reliability:
- Housing base: PPA (polyphthalamide) offering exceptional heat resistance, dimensional stability, and mechanical strength.
- Top housing: PC (polycarbonate) for superior impact toughness, smooth aesthetics, and environmental protection.
- Terminals: Brass core with silver (Ag) plating to deliver low and stable contact resistance, excellent conductivity, and corrosion resistance across high cycle counts.
- Actuator: PA66 (nylon 66) in a compact 2.8mm × 2.8mm square design, ensuring precise, comfortable finger actuation even in tight panel spaces.
Suited to demanding multi-signal environments, this switch performs excellently in:
- Consumer electronics — Remote controls, small handheld devices, portable audio players, or accessory buttons requiring complex mode or channel switching.
- Automotive/vehicle electronics — Low-current control switches in dashboards, infotainment systems, or accessory modules for non-critical functions.
- Industrial/test equipment — Mode selection, reset, trigger, polarity inversion, or multi-line selection buttons on meters, testers, analyzers, or control modules.











