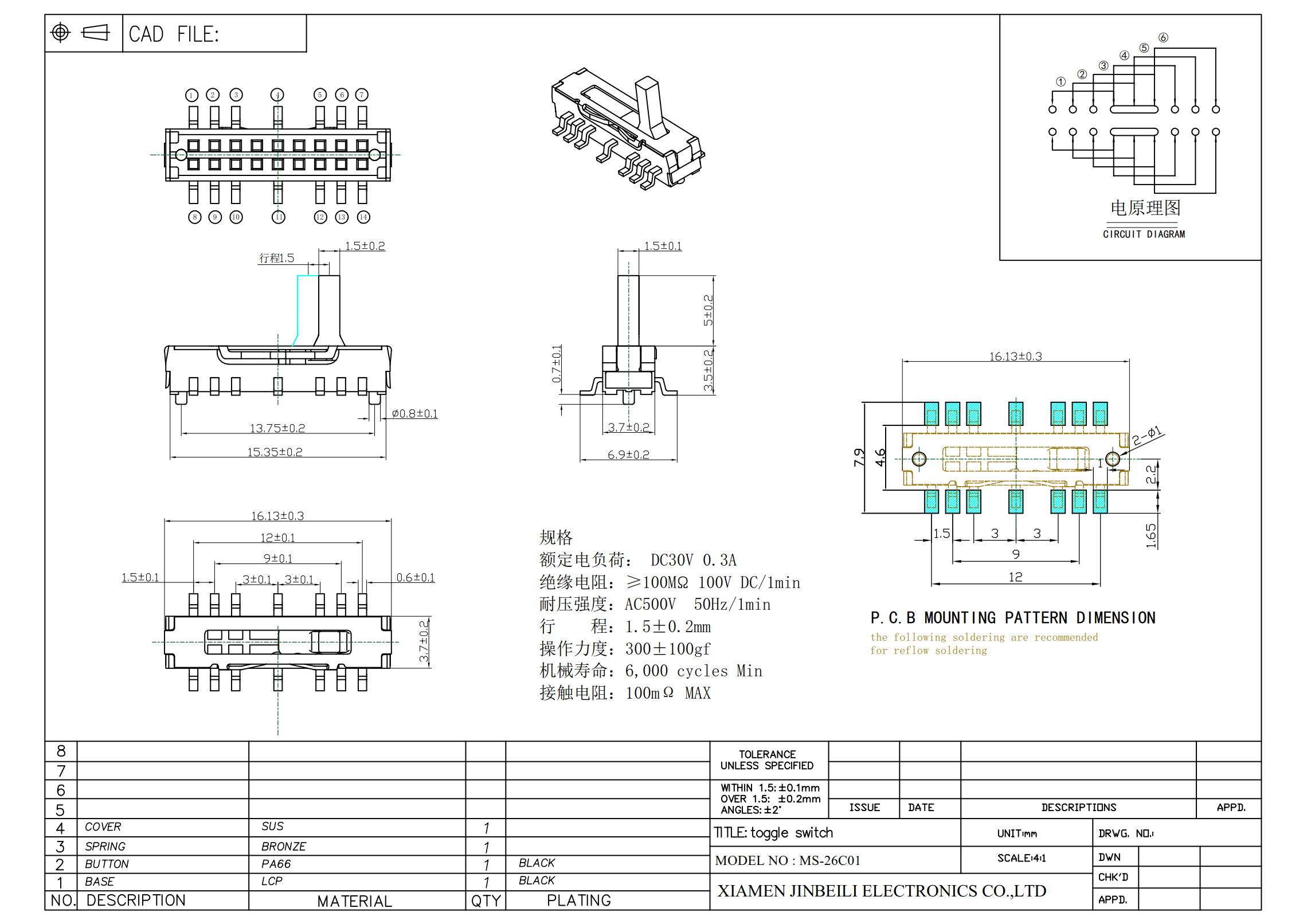
MS-26C01 2P6T Mini Slide Switch Surface Mount
This ultra-miniature 2P6T slide switch is designed for high-density PCB applications where vertical real estate is critical. With an exceptionally compact footprint measuring just 16.0mm x 3.7mm, its vertical surface-mount (SMT) design stands perpendicular to the board, maximizing space efficiency and simplifying layout in cramped assemblies like portable audio equipment, modular instruments, and advanced communication devices.
The switch features a 2P6T (Double Pole, Six Throw) circuit configuration, allowing two completely independent circuits to be switched concurrently across six distinct positions. This dual-circuit functionality is perfect for complex signal routing, mode selection, or channel switching. It is reliably rated for low-power applications at DC 30V 0.3A.
Engineered for manufacturing efficiency, its robust SMT construction ensures secure board attachment during reflow soldering. A precise 2.0mm actuator travel provides a crisp, tactile feel and positive feedback during operation. Furthermore, it offers five actuator length options (2mm, 3mm, 4mm, 4.4mm, 5mm), providing essential flexibility for designers to match the switch height to specific enclosure depths and user-interface requirements, ensuring both optimal performance and ergonomic usability.







